LAZ 250/600
LAZ henger késtolózárakhoz
Egyedi igények rögzítésére a rendelésösszesítő felületen van lehetőség
LAZ 250/600
LAZ henger késtolózárakhoz
Kérjük regisztráljon a 3D modellek és termék adatlapok letöltéséhez.
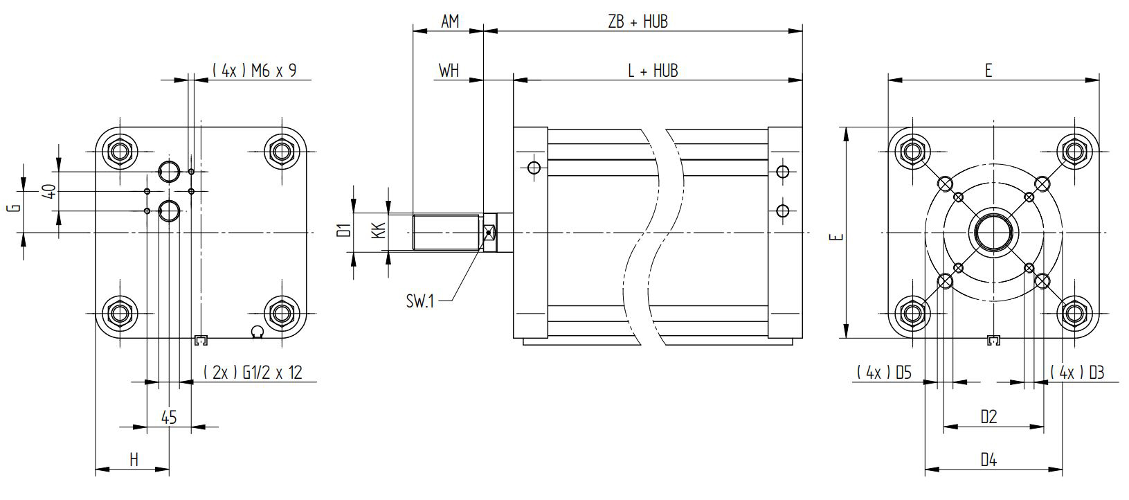
| Termék | Átmérő | Lökethossz | Csatlakozás | Dugattyúrúd menet | Tömítés anyaga |
|---|
| Típusszám | Ø [mm] | AM | D1 | KK | SW.1 | D2 | D3 | D4 | D5 | E | H | WH | L | ZB |
|---|---|---|---|---|---|---|---|---|---|---|---|---|---|---|
| LAZ 200/... | Ø 200 | 72 | Ø 40 | M36x2 | 36 | Ø 102 | M10x20 | Ø 140 | M16x25 | 215 | 75 | 30 | 123 | 153 |
| LAZ 250/... | Ø 250 | 72 | Ø 40 | M36x2 | 36 | Ø 102 | M10x20 | Ø 140 | M16x25 | 265 | 80 | 30 | 138 | 168 |
| LAZ 320/... | Ø 320 | 72 | Ø 40 | M36x2 | 36 | Ø 102 | M10x20 | Ø 140 | M16x25 | 340 | 100 | 30 | 135 | 168 |
| Funkció: | kettős működésű |
|---|---|
| Átmérő: | Ø250 |
| Lökethossz: | 600 mm |
| Csatlakozás: | G 1/2" |
| Hőmérséklet tartomány: | -20°C…+80°C |
| Dugattyúrúd anyaga: | rozsdamentes, saválló acél (AISI 420) |
| Dugattyú: | mágneses |
| Dugattyú anyaga: | alumínium |
| Dugattyúrúd menet: | M36 x 2 - külső menet |
| Hengerfedelek anyaga: | eloxált alumínium |
| Hengertest anyaga: | eloxált alumínium |
| Húzóerő (6 bar): | 26847 N |
| Közeg: | sűrített levegő |
| Löketvég csillapítás: | rugalmas |
| Nyomóerő (6 bar): | 27966 N |
| Tömítés anyaga: | NBR, PU (max. 80°C) |
| Üzemi nyomás: | 1…10 bar |












