RIMA 25/10
ISO 6432 körprofil henger - egyedi hengerfedéllel és csatlakozással
Egyedi igények rögzítésére a rendelésösszesítő felületen van lehetőség
RIMA 25/10
ISO 6432 körprofil henger - egyedi hengerfedéllel és csatlakozással
Kérjük regisztráljon a 3D modellek és termék adatlapok letöltéséhez.
| Termék | Átmérő | Lökethossz | Csatlakozás | Dugattyúrúd menet | Dugattyúrúd átmérő | Tömítés anyaga |
|---|
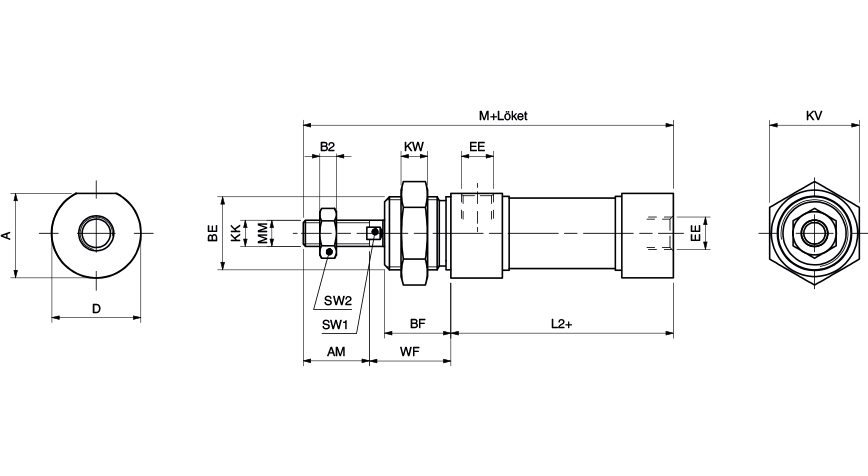
| Típusszám | Ø [mm] | A | AM | B2 | BE | BF | ØD | EE | KK | KV | KW | L2+ | M+ | ØMM | SW1 | SW2 | WF |
|---|---|---|---|---|---|---|---|---|---|---|---|---|---|---|---|---|---|
| RIMA 16/... | Ø 16 | 18 | 16 | 4 | M16x1,5 | 18 | 19 | M5 | M6 | 22 | 6 | 53 | 91 | 6 | 5 | 10 | 22 |
| RIMA 20/... | Ø 20 | 25,5 | 20 | 5 | M22x1,5 | 20 | 27 | G1/8 | M8 | 27 | 8 | 67 | 111 | 8 | 7 | 13 | 24 |
| RIMA 25/... | Ø 25 | 28,5 | 22 | 6 | M22x1,5 | 22 | 30 | G1/8 | M10x1,25 | 27 | 8 | 68 | 118 | 10 | 9 | 17 | 28 |
| Funkció: | kettős működésű |
|---|---|
| Átmérő: | Ø25 |
| Lökethossz: | 10 mm |
| Csatlakozás: | G 1/8" |
| Hőmérséklet tartomány: | -20°C…+80°C |
| Dugattyúrúd anyaga: | rozsdamentes acél (AISI 304) |
| Dugattyú: | mágneses |
| Dugattyú anyaga: | sárgaréz |
| Dugattyúrúd menet: | M10 x 1,25 - külső menet |
| Dugattyúrúd átmérő: | Ø10 mm |
| Hengerfedelek anyaga: | eloxált alumínium |
| Hengertest anyaga: | rozsdamentes acél |
| Húzóerő (6 bar): | 235 N |
| ISO szabvány: | ISO 6432 |
| Közeg: | sűrített levegő |
| Löketvég csillapítás: | rugalmas |
| Nyomóerő (6 bar): | 280 N |
| Tömítés anyaga: | NBR, PU (max. 80°C) |
| Vezetőpersely anyaga: | szinterbronz |
| Üzemi nyomás: | 1…10 bar |











