UDM 250/25
ISO 15552 összehúzócsavaros henger
Egyedi igények rögzítésére a rendelésösszesítő felületen van lehetőség
UDM 250/25
ISO 15552 összehúzócsavaros henger
Kérjük regisztráljon a 3D modellek és termék adatlapok letöltéséhez.
| Termék | Átmérő | Lökethossz | Csatlakozás | Dugattyúrúd menet | Dugattyúrúd átmérő | Tömítés anyaga |
|---|
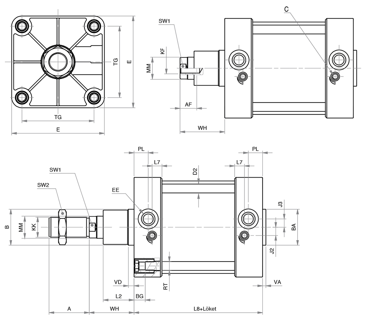
| Típusszám | UDM 160/... | UDM 200/... | UDM 250/... | UDM 320/... |
|---|---|---|---|---|
| Ø [mm] | Ø160 | Ø200 | Ø250 | Ø320 |
| A | 72 | 72 | 84 | 96 |
| AF | 30 | 30 | 40 | 50 |
| B | 65 | 75 | 90 | 110 |
| BA | 65 | 75 | 90 | 110 |
| BG | 24 | 24 | 25 | 28 |
| D2 | 16 | 16 | 20 | 25 |
| E | 180 | 220 | 270 | 350 |
| EE | G3/4 | G3/4 | G1 | G1 |
| J2 | 15 | 15 | 25 | 35 |
| J3 | 15 | 15 | 25 | 35 |
| KF | M20 | M20 | M24 | M30 |
| KK | M36x2 | M36x2 | M42x2 | M48x2 |
| L2 | 55 | 65 | 75 | 90 |
| L7 | 17,5 | 16 | 20 | 20 |
| L8+ | 180 | 180 | 200 | 220 |
| MM | 40 | 40 | 50 | 63 |
| PL | 25,5 | 25,5 | 30 | 30 |
| RT | M16 | M16 | M20 | M24 |
| SW1 | 36 | 36 | 46 | 55 |
| SW2 | 55 | 55 | 65 | 75 |
| TG | 140 | 175 | 220 | 270 |
| VA | 6 | 8 | 8 | 10 |
| VD | 10 | 25 | 25 | 25 |
| WH | 80 | 95 | 105 | 120 |
| Funkció: | kettős működésű |
|---|---|
| Átmérő: | Ø250 |
| Lökethossz: | 25 mm |
| Csatlakozás: | G 1" |
| Hőmérséklet tartomány: | -20°C…+80°C |
| Dugattyúrúd anyaga: | keménykrómozott acél (CK45) |
| Dugattyú: | mágneses |
| Dugattyú anyaga: | alumínium |
| Dugattyúrúd menet: | M42 x 2 - külső menet |
| Dugattyúrúd átmérő: | Ø50 mm |
| Hengerfedelek anyaga: | présöntött alumínium |
| Hengertest anyaga: | eloxált alumínium |
| Húzóerő (6 bar): | 26847 N |
| ISO szabvány: | ISO 15552 (korábban ISO 6431) |
| Közeg: | sűrített levegő |
| Löketvég csillapítás: | állítható |
| Nyomóerő (6 bar): | 27966 N |
| Tömítés anyaga: | NBR, PU (max. 80°C) |
| Vezetőpersely anyaga: | acél |
| Üzemi nyomás: | 1…10 bar |












