HIFRV 100/1000
ISO 15552 profil henger - rozsdamentes dugattyúrúddal - FPM tömítéssel
Egyedi igények rögzítésére a rendelésösszesítő felületen van lehetőség
HIFRV 100/1000
ISO 15552 profil henger - rozsdamentes dugattyúrúddal - FPM tömítéssel
Kérjük regisztráljon a 3D modellek és termék adatlapok letöltéséhez.
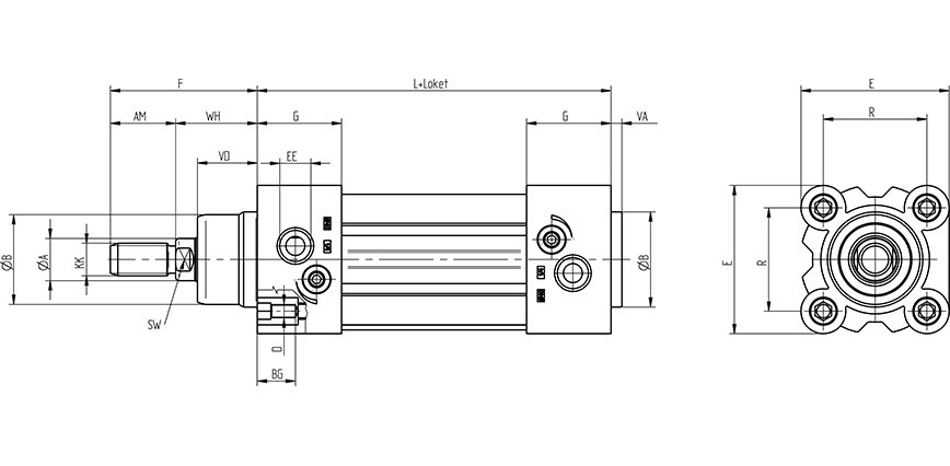
| Termék | Átmérő | Lökethossz | Csatlakozás | Dugattyúrúd menet | Dugattyúrúd átmérő | Tömítés anyaga |
|---|
| Típusszám | Ø [mm] | A | B | D | E | F | G | L | R | AM | BG | EE | KK | SW | VA | VD | WH |
|---|---|---|---|---|---|---|---|---|---|---|---|---|---|---|---|---|---|
| HIFRV 32/... | Ø 32 | 12 | 30 | M 6 | 47 | 48 | 26,5 | 94 | 32,5 | 22 | 16 | G 1/8" | M 10 x 1,25 | 10 | 4 | 18 | 26 |
| HIFRV 40/... | Ø 40 | 16 | 35 | M 6 | 54,5 | 54 | 31 | 105 | 38 | 24 | 16 | G 1/4" | M 12 x 1,25 | 13 | 4 | 22 | 30 |
| HIFRV 50/... | Ø 50 | 20 | 40 | M 8 | 65 | 69 | 31 | 106 | 46,5 | 32 | 16 | G 1/4" | M 16 x 1,5 | 17 | 4 | 25,5 | 37 |
| HIFRV 63/... | Ø 63 | 20 | 45 | M 8 | 75 | 69 | 33,5 | 121 | 56,5 | 32 | 16 | G 3/8" | M 16 x 1,5 | 17 | 4 | 26 | 37 |
| HIFRV 80/... | Ø 80 | 25 | 45 | M 10 | 93 | 86 | 40 | 128 | 72 | 40 | 17 | G 3/8" | M 20 x 1,5 | 22 | 4 | 32 | 46 |
| HIFRV 100/... | Ø 100 | 25 | 55 | M 10 | 110 | 91 | 40,5 | 138 | 89 | 40 | 17 | G 1/2" | M 20 x 1,5 | 22 | 4 | 38 | 51 |
| HIFRV 125/... | Ø 125 | 32 | 60 | M 12 | 134 | 119 | 47 | 160 | 110 | 54 | 20 | G 1/2" | M 27 x 2 | 27 | 6 | 46 | 65 |
| Funkció: | kettős működésű |
|---|---|
| Átmérő: | Ø100 |
| Lökethossz: | 1000 mm |
| Csatlakozás: | G 1/2" |
| Hőmérséklet tartomány: | -20°C...+150°C |
| Dugattyúrúd anyaga: | rozsdamentes acél (AISI 304) |
| Dugattyú: | mágneses |
| Dugattyú anyaga: | alumínium |
| Dugattyúrúd menet: | M20 x 1,5 - külső menet |
| Dugattyúrúd átmérő: | Ø25 mm |
| Hengerfedelek anyaga: | présöntött alumínium |
| Hengertest anyaga: | eloxált alumínium |
| Húzóerő (6 bar): | 4195 N |
| ISO szabvány: | ISO 15552 (korábban ISO 6431) |
| Közeg: | sűrített levegő |
| Löketvég csillapítás: | állítható |
| Nyomóerő (6 bar): | 4475 N |
| Tömítés anyaga: | FPM tömítések (max.150°C) |
| Vezetőpersely anyaga: | szinterbronz |
| Üzemi nyomás: | 1…10 bar |













